Wavin 110 mm PP overgang til betonmuffe 149 mm
PP rør anvendes til afledning af regn- og spildevand. Wacop tætningsringe tætner på flere punkter og giver god sikkerhed for tætte samlinger. Tætningsringene sidder fast i mufferne og kan ikke forskydes.
Anvendes som overgang til ældre betonrør med muffe. Se installationsvejledningen for mere info.
Enkeltlagsrør som udmærker sig ved let og hurtig installation. Rørene er fleksible og følger jordens sætninger og bevægelser
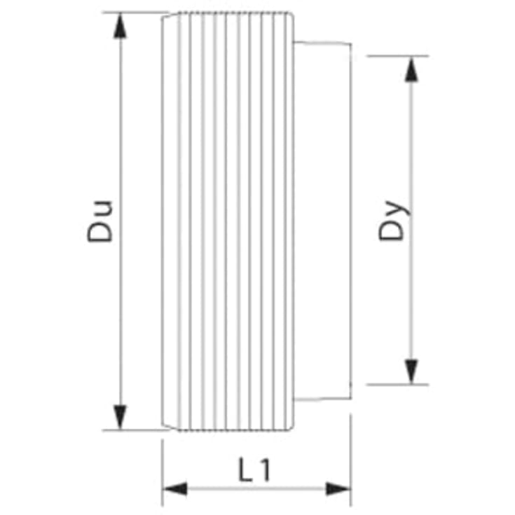
Mål: 149x110x68 mm (Du x Dy x L1)
Wavin er Danmarks største producent af rørsystemer i plast.




