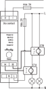
Shelly Pro EM-50 er en to-kanals enfaset energimåler, som benytter strømtransformere til at måle energidata med belastninger på op til 50A og med 99 % nøjagtighed. Enheden måler effekt, strøm, spænding og power faktor i en opløsning på ét minut med realtidsmåling. Shelly Pro EM-50 har desuden et indbygget 2A potentialfrit kontaktsæt, som kan benyttes til at trække en ekstern kontaktor til styring af større belastninger.
Shelly Pro EM-50 opsættes og styres nemt gennem Shelly Smart Control app eller dit foretrukne smart home system. Shelly-enheder virker 100 % lokalt og behøver kun et lokalt netværk for at virke. Shelly kan benyttes alene i Shelly Smart Control app eller med mere end 200 partnersystemer såsom Google Home, Amazon Alexa, Home Assistant, Samsung SmartThings, Athom Homey og mange flere.
Funktion
Shelly Pro EM-50 er designet til montering på DIN-skinne og leveres inklusiv to strømtransformere. Enheden rapporterer effektmåling (W), spændingsmåling (V), strømmåling (A), tilsyneladende effekt (VA) og power faktor (PF) i realtid og lagrer målingerne i op til 60 dage på enheden og i 365 dage med forbindelse til Shelly Cloud app. Enheden opfylder desuden kravene til IEC 62053-21 med en nøjagtighed svarende til Klasse B (maksimum 1 % afvigelse). Shelly Pro EM-50 har desuden indbygget realtidsur, så den kan opretholde tid- og dato i tilfælde af mistet forbindelse til en SNTP-server.
Forbindelse
Shelly Pro EM-50 kan tilsluttes til internettet eller det lokale netværk gennem LAN interface og/eller 2,4 GHz WiFi. Derudover har enheden indbygget Bluetooth ligesom resten af Pro- og Plus-enhederne, hvorfor den samtidig kan benyttes som gateway til Shelly Bluetooth-enheder.
Shelly Pro EM-50 virker lokalt uden forbindelse til Shelly Cloud, men det anbefales at denne aktiveres, for nem datalagring samt øget funktionalitet. Enheden kan desuden kommunikere via. MQTT, HTTP og WebSocket. Alle understøtter TLS.
Hardware
Enheden er udstyret med generation 2 hardware, som blandt andet består af en kraftig ESP32 processor. Dette giver mulighed for at bruge scriptingfunktioner for avanceret og brugertilpasset funktionalitet samt range-extender funktion med enheden.
OBS! Vi har modtaget informationer om dette produkt direkte fra vores leverandør, og derfor kan der være informationer, specifikationer eller priser, der ikke fremgår eller er misvisende. Hvis du har spørgsmål til produktet, er du altid velkommen til at kontakte vores kundeservice.
Har du spørgsmål til dette produkt?









