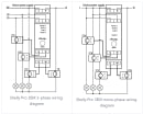
Shelly Pro3 EM-400 er en trefaset energimåler, som benytter strømtransformere til at måle energidata på tre individuelle faser med belastninger på op til 400A og med 99 % nøjagtighed. Enheden måler effekt, strøm, spænding og power faktor i en opløsning på ét minut med realtidsmåling. Det er desuden muligt at tilkøbe en ekstra strømtransformer for måling af nulstrøm.
Funktion
Shelly Pro 3EM er designet til montering på DIN-skinne og leveres inklusiv tre strømtransformere. Enheden rapporterer effektmåling (W), spændingsmåling (V), strømmåling (A) og power faktor (PF) i realtid og lagrer målingerne i op til 60 dage på enheden og i 365 dage med forbindelse til Shelly Cloud app. Enheden opfylder desuden kravene til IEC 62053-21 med en nøjagtighed svarende til Klasse B (maksimum 1 % afvigelse). Shelly Pro 3EM har desuden indbygget realtidsur, så den kan opretholde tid- og dato i tilfælde af mistet forbindelse til en SNTP-server.
Forbindelse
Shelly Pro 3EM kan tilsluttes til internettet eller det lokale netværk gennem LAN interface og/eller 2,4 GHz WiFi. Derudover har enheden indbygget Bluetooth ligesom resten af Pro- og Plus-enhederne, hvorfor den samtidig kan benyttes som gateway til Shelly Bluetooth-enheder.
Shelly Pro 3EM virker lokalt uden forbindelse til Shelly Cloud, men det anbefales at denne aktiveres, for nem datalagring samt øget funktionalitet. Enheden kan desuden kommunikere via. MQTT, HTTP og WebSocket. Alle understøtter TLS. Som noget nyt understøtter Shelly Pro 3EM også Modbus TCP-forbindelse.
Hardware
Enheden er udstyret med generation 2 hardware, som blandt andet består af en kraftig ESP32 processor. Dette giver mulighed for at bruge scriptingfunktioner for avanceret og brugertilpasset funktionalitet samt range-extender funktion med enheden.
Bemærk, at Shelly Pro 3EM ikke har indbygget relæudgang, som den gamle Shelly 3EM har. I stedet kan Shelly Pro 3EM Switch Add-on (3800235268131) tilkøbes, som giver mulighed for ekstern relæstyring.
Links
Teknisk dokumentation: https://kb.shelly.cloud/knowledge-base/shelly-pro-3em
OBS! Vi har modtaget informationer om dette produkt direkte fra vores leverandør, og derfor kan der være informationer, specifikationer eller priser, der ikke fremgår eller er misvisende. Hvis du har spørgsmål til produktet, er du altid velkommen til at kontakte vores kundeservice.
Har du spørgsmål til dette produkt?








