Stabil lysdæmpning i ældre installationer – Shelly bypass til Gen3 og Gen4
Drømmer du om at få det helt rigtige lys, selv i ældre boliger uden neutralledning? Med denne lille, men vigtige Shelly bypass får du stabil og flimmerfri dæmpning, når du bruger Shelly Dimmer Gen3 eller Gen4 sammen med LED-pærer under 20 W. Her får du en løsning, der fjerner bekymringer om flimrende lys eller lamper, der ikke vil slukke helt – også i installationer, hvor pladsen kan være trang.
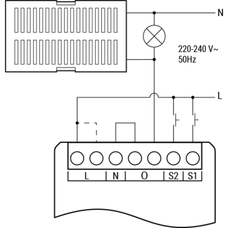
Shelly bypass er udviklet til at give dig tryghed i hverdagen og sikre, at dine lav-effekt lyskilder fungerer fejlfrit. Den monteres diskret inde i lampen og kræver ingen større ombygning, så du let kan opgradere dit hjem, din lejlighed eller mindre erhvervslokaler med moderne dæmpning, uden at gå på kompromis med komforten.
Fordele ved Shelly bypass
- Sikker drift ved lav belastning: Ideel til LED-lys under 20 W uden neutral
- Ultra-kompakt design: Passer let ind i små armaturer og bag dåser
- Pålidelig dæmpning: Forhindrer flimren og sikrer at lyset slukker helt
- Nem installation: Monteres direkte på udgangen fra din dimmer
- Kompatibel med Shelly Dimmer Gen3 og Gen4: Udviklet specifikt til nyere Shelly modeller
En tryg løsning til moderne og ældre hjem
Shelly bypass er det oplagte valg, hvis du ønsker stabil dæmpning i installationer uden neutralledning – især i ældre bygninger, hvor du vil undgå større el-arbejde. Den er kun kompatibel med Shelly Dimmer Gen3 og Gen4 og fungerer ikke sammen med ældre modeller som Dimmer2 eller Shelly 1L.











