Purus Brage afløbsskål til vinylgulv
Med Purus Brage afløbsskålen får du en pålidelig afløbsløsning til dit vinylgulv. Denne afløbsskål er specielt designet til at give dig en enkel installation og effektiv vandafledning i dit hjem. Uanset om du renoverer eller bygger nyt, gør Purus Brage det nemt at få et funktionelt og holdbart afløb i dit badeværelse.
Fordele og funktioner:
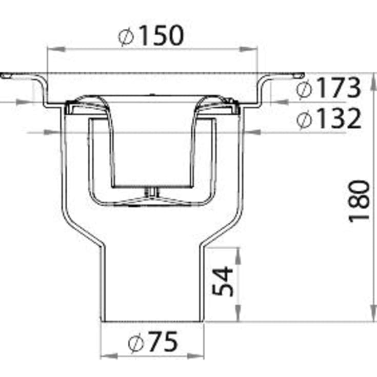
- Komplet løsning med klemring, vandlås og hvid rist i plast, så du har alt, du behøver til installation
- Kan installeres i både træbjælkelag og beton
- Vandlåsen kan afmonteres og er delbar, hvilket gør rengøringen nem og hurtig
- Den selvjusterende klemring monteres hurtigt og nemt uden brug af skruer
- Risten er designet, så der ikke står vand rundt om risten
Funktionalitet og installation
Purus Brage afløbsskål er udstyret med et beskyttende dæksel, der forhindrer snavs i at komme i afløbet under byggearbejdet. Den automatisk justerende klemring gør installationen både enkel og fleksibel, da den kan anvendes til vinylmembraner med en tykkelse mellem 1,5 mm og 2 mm. Desuden er modellen ideel til installation i både træbjælkelag og beton.
Uanset om du renoverer badeværelset eller bygger nyt, er Purus Brage afløbsskål en praktisk og effektiv løsning. Med dens enkle installation og holdbare design kan du sikre, at vandafledningen fungerer optimalt i mange år. Investér i Purus Brage i dag og få et afløbssystem, der lever op til dine behov og forventninger.




