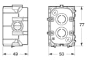
Til indmuring i pudsede vægge af mursten, gasbeton m.v. Kan monteres med alle FUGA Baseline, Softline samt Hardline rammer. Dåsen kan vendes 180° og monteres/sammenbygges såvel lodret som vandret. Er i siderne og bunden forsynet med 16 mm blanketter, og med udslagsblanketter for ledningsføring mellem sammenbyggede dåser.
Tekniske specifikationer
- Farve: Grøn/rød
- Størrelse: 1,5M
- Dybde: 49 mm
























