Effektiv cirkulationspumpe til brugsvand
Vil du have varmt vand med det samme – uden ventetid og uden at lade liter efter liter løbe ud i afløbet? Så er denne brugsvandspumpe fra Grundfos ALPHA2 N-serien et godt valg. Den sørger for, at vandet hele tiden cirkulerer i rørene, så det hurtigt bliver genopvarmet og er klar, når du åbner for hanen. Det sparer både tid og rent drikkevand – og det giver mening i en hverdag, hvor vi gerne vil undgå unødigt spild.
Fordele ved denne brugsvandspumpe
- Høj virkningsgrad, der sikrer stabil drift og lavt energiforbrug
- Nem el-tilslutning med det praktiske ALPHA-stik
- Installation uden besvær – klar til brug på kort tid
- Enkel betjening med let forståelige funktioner
- LED-display viser aktuelt strømforbrug
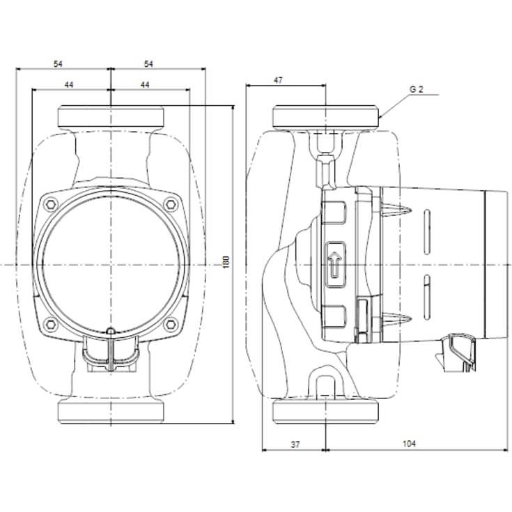
Nem installation og intuitiv betjening
Grundfos Alpha2 32-40 N cirkulationspumpen er designet til at gøre installationen så enkel som muligt. Med det velkendte ALPHA-stik og et intuitivt LED-display, kan du hurtigt komme i gang. Displayet viser både energiforbrug og volumenstrøm, så du altid har overblik over driften.
Grundfos Alpha2 N anbefales til:
- Flerfamiliehuse
- Beboelsesejendomme
- Mindre etagebyggeri
- Børnehaver
- Til både beholder- og veksleranlæg
Nem udskiftning med Grundfos GO-appen
Det kan være svært at vide, hvilken brugsvandspumpe der passer som erstatning – især hvis den gamle model er udgået eller typeskiltet er slidt. Med Grundfos GO-appen får du hurtigt svar direkte på din telefon. Det gør udskiftningen lettere og minimerer ventetiden på varme i hjemmet.
- Download appen gratis i App Store eller Google Play
- Aktivér funktionen GO Replace og vælg fanen med samme navn
- Scan typeskiltet på den gamle pumpe – et ottecifret nummer
- Få vist den bedste erstatningsmodel fra Grundfos og op til to alternativer
Du kan også indtaste nummeret manuelt eller søge på produktnavn – også hvis din gamle pumpe ikke er fra Grundfos. GO-appen gør det let at finde den rigtige udskiftningsmodel.
Appen er gratis og kan hentes i både App Store og Google Play. En enkel løsning, der gør det lettere for dig at finde den rigtige pumpe første gang.
Vælg denne Grundfos Alpha2 N cirkulationspumpe til brugsvand, hvis du ønsker en løsning, der kombinerer avanceret teknologi og brugervenlig betjening.
OBS! Til en- og tofamiliehuse anbefales det at bruge Grundfos Comfort brugsvandspumper



























