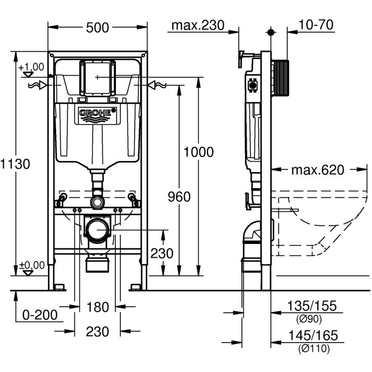
Grohe Rapid SL installationssystem til væghængte toiletter
Lige fra selve installationen til den daglige brug giver dette installationssystem maksimal komfort. Rapid SL cisternen kan monteres foran en massiv væg eller indbygget i en skeletvæg.
Trykpladen installeres nemt og hurtigt uden brug af værktøj. Den tilsluttes blot en lufttryksslange for at virke, og med en betjeningsplade efter eget valg er systemet en perfekt tilføjelse til dit badeværelse. Du kan nemlig frit vælge mellem forskellige designs, farver og størrelser, da alle Grohes trykplader passer til Rapid SL cisternen.Â
Den solide stålramme er certificeret til at kunne bære belastninger på over 400 kg, hvilket gør konstruktionen perfekt, sikker og stabil. Tilmed forhindrer støjsvage dele, at lyden transmitteres til selve bygningskonstruktionen.
- Frontbetjent
- Vandtilslutning fra venstre, højre eller bagfra
- Skyllecisterne på 6-9 liter (fabriksindstillet til 3 og 6 liter)
- Pneumatisk afløbsventil (enkeltskyl, dobbeltskyl og start & stop)
- Inkl. montagesæt
Vi yder derudover også 10 års garanti på cisternen og 15 års reservedelsgaranti.


















