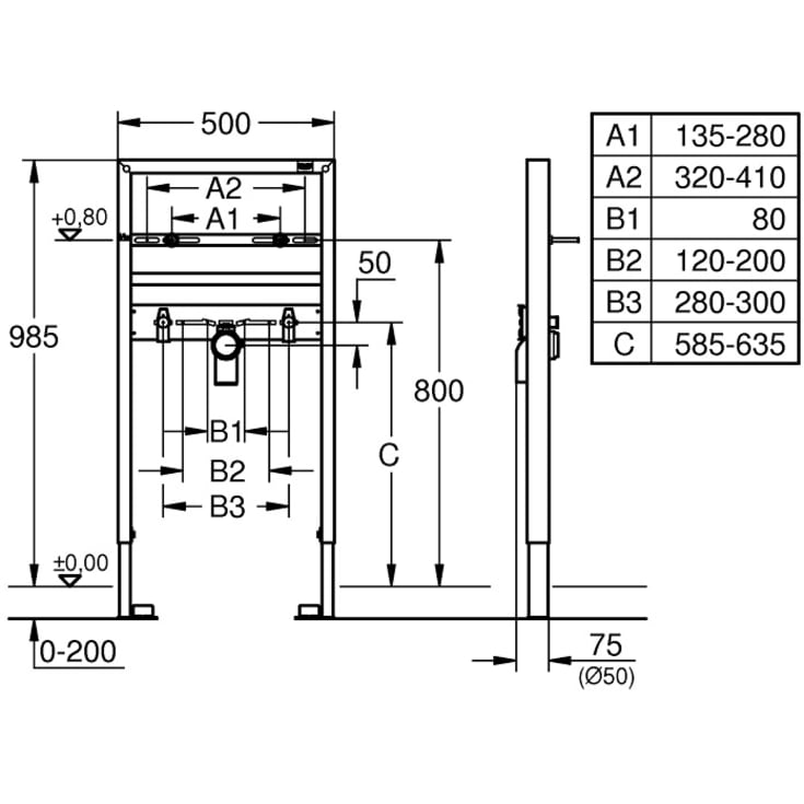
Installationselement 100 cm til opstilling foran væg eller indbygning i let væg. Leveres komplet med befæstigelsesmateriale.
- Til tørbeklædning, komplet formonteret
- M10 håndvaskbolte med keramisk fastgørelse
- Variabel bolteafstand
- Fastmonterede tilslutninger
- Hurtig indstilling og sikring
- HT-afløbsbøjning DN 50
- Tætning Ø32 mm
- 2 lyddæmpende armaturtilslutninger DN 15
OBS! For vægmontering kræves tilkøb af vægbeslag (se relaterede produkter).






