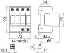
Overspændingsafleder med fjernmeldekontakt
Desitek Dehnguard transientbeskyttelse 3+NPE er et modul, der beskytter eltavlen mod overspænding, hvis der registreres et lynnedslag. Den har fjernmeldekontakt til fjernovervågning.
Hvis transientbeskytteren bliver aktiveret skal det enkelte modul udskiftes for at opretholde sikkerhedsniveauet. Der er stadig være strøm, men transientbeskyttelsen er væk.
Modulet installeres enten i hovedtavlen eller i en undertavle.
- Til TT og TN-S systemer
- Potentialfri skiftekontakt
- Beskyttelse med lynnedslag og overspænding






