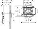
Indbygningsdel til Axor termostatmodul
Denne indbygningsdel skal bruges til Axor One termostatmodul.
Detaljer:
- To tilgange
- Fire udtag
- Mulighed for samtidig anvendelse af alle enheder
- Lydisoleret montering
Husk tilkøb af lækagesikring (se relaterede varer)
Har du spørgsmål til dette produkt?





